Хрестовина PPR Blue Ocean 32х25х32х25 редукційна

Код: 4485

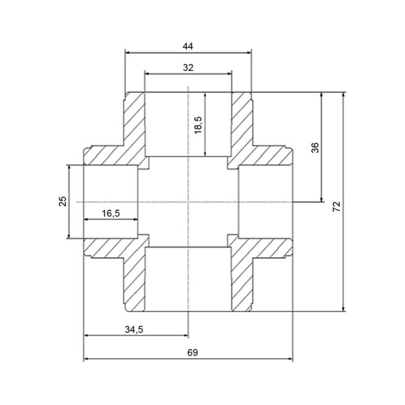
Редукційна хрестовина PPR Blue Ocean 32х25х32х25 виконана з високоякісного поліпропілену в класичному білому кольорі. Під час зварювання матеріал швидко плавиться, але не прилипає до насадок паяльника. До його переваг також слід віднести термостійкість, герметичність і гладкість, що перешкоджає утворенню корозії. Дана хрестовина - редукційна, тому використовується з трубами з різними діаметрами: дві по 32 мм і дві по 25 мм.

Основні характеристики

  • Країна реєстрації бренду
    Великобританія
  • Номінальний тиск PN
    25
  • Бренд
    Blue Ocean
  • Матеріал
    PPR
  • Тип виробу
    Хрестовина
  • Артикул
    BORCPX3225XXX
  • Гарантія
    10
  • Робоча температура °С
    90
  • Країна виробник
    Великобританія
  • Вид підключення
    Поліфузне зварювання
  • Розмір підключення
    32х25
  • Вага нетто, кг
    0,075

Супутні товари