Муфта PPR Blue Ocean 75х25 редукційна

Код: 6628

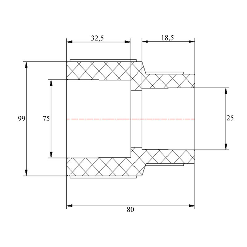
Редукційна муфта PPR Blue Ocean 75х25 виготовлена з поліпропілену в білому класичному кольорі. Конструкція виробу складається з двох товстостінних відрізків, де з одного боку діаметр підключення складає 75 мм, а з іншого - 25 мм, що підходить для стикування двох труб з різними діаметрами. Своє застосування фітинг знайде під час монтажу системи опалення або системи водопостачання. Для його кріплення необхідно нагріти паяльник і встановити на нього насадку. В насадці муфта нагрівається, після чого її можна з'єднувати з трубою.

109 грн.

Основні характеристики

  • Країна реєстрації бренду
    Великобританія
  • Тип виробу
    Муфта
  • Номінальний тиск PN
    25
  • Бренд
    Blue Ocean
  • Матеріал
    PPR
  • Артикул
    BORCXX7525XXX
  • Робоча температура °С
    90
  • Країна виробник
    Великобританія
  • Вид підключення
    Поліфузне зварювання
  • Розмір підключення
    75х25
  • Вага нетто, кг
    0,223
  • Гарантія
    10

Супутні товари