Трійник PPR Blue Ocean 40х20х40 редукційний

Код: 4613

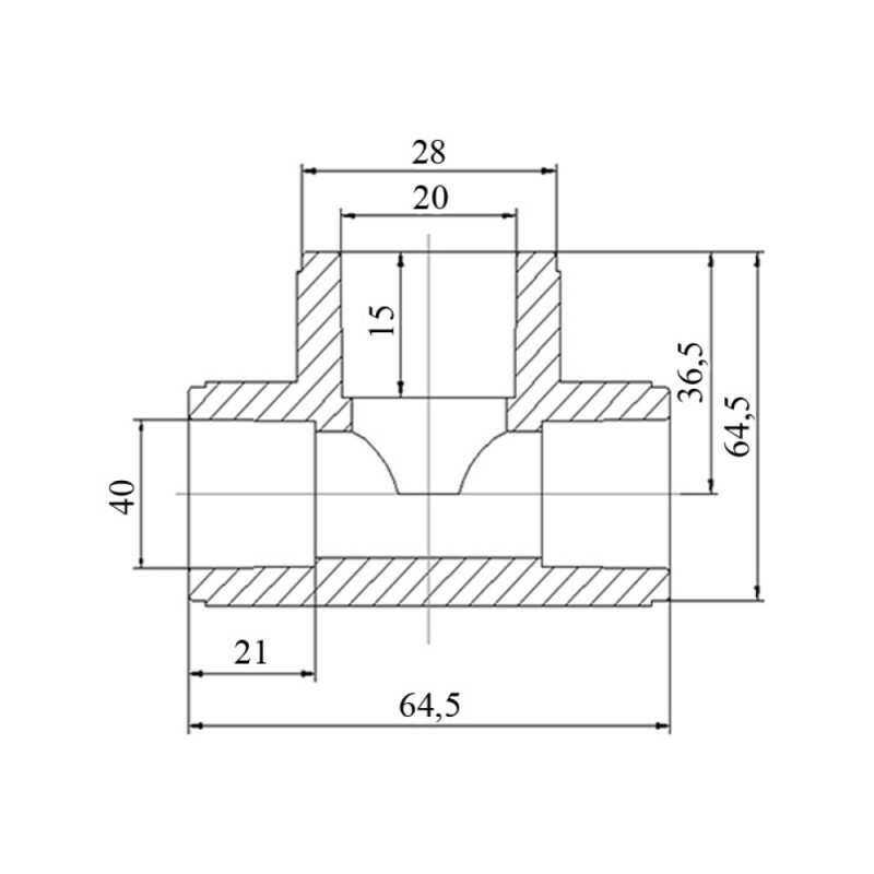
Трійник PPR Blue Ocean 40х20х40 редукційний можна використовувати при температурі робочого середовища не вище 90 градусів Цельсія. Виріб дозволяє швидко і просто з’єднати ділянки поліпропіленового трубопроводу в місцях відгалужень. Широкий асортимент типорозмірів фітингів Blue Ocean дозволяє вибрати потрібну фасонну деталь для PPR-труб будь-якого діаметру і легко виконати збірку магістралі складної конфігурації. Для роботи буде потрібний паяльник для поліфузного зварювання і насадки різного розміру.

85 грн.

Основні характеристики

  • Країна реєстрації бренду
    Великобританія
  • Номінальний тиск PN
    25
  • Бренд
    Blue Ocean
  • Матеріал
    PPR
  • Тип виробу
    Трійник
  • Артикул
    BORTXX4020XXX
  • Робоча температура °С
    90
  • Країна виробник
    Великобританія
  • Розмір підключення
    40х20
  • Вид підключення
    Поліфузне зварювання
  • Вага нетто, кг
    0,081
  • Гарантія
    10

Супутні товари